Decentralized Sliding Mode Load Frequency Control for Multi-Area Power Systems
Reference paper:
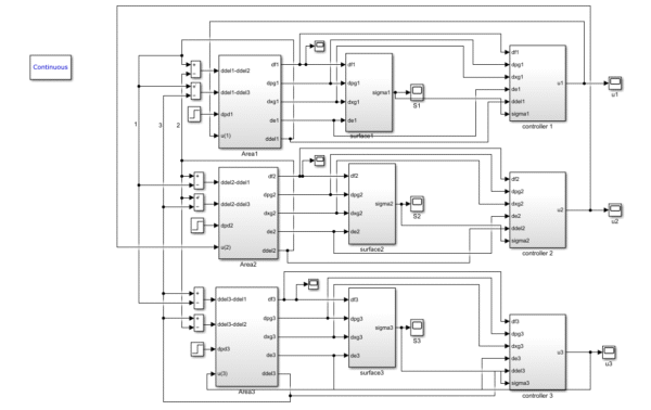
Mi, Yang, Yang Fu, Chengshan Wang, and Peng Wang. “Decentralized sliding mode load frequency control for multi-area power systems.” IEEE Transactions on Power Systems 28, no. 4 (2013): 4301-4309.






Reviews
There are no reviews yet.